В данной статье рассмотрены вопросы коммутации электродвигателей,а также безопасное управление электрических машин во время коммутации.
Ключевые слова: компенсация, бесконтактная, блок, ПТ-16, ПТ-40, силовой блок, реле, коммутация, статор, ротор, электронный ключ.
Электромагнитные пускатели широко применяются для пуска и управления электродвигателей в промышленных предприятиях [1]. Но из-за некоторых дефектов электромагнитных пускателей они не нашли должного применения в горной и тяжелой промышленности [2]. Например, во время коммутации на газоразрядных и пожароопасных помещениях электромагнитные пускатели вызывают коммутационную дугу в контактах, поэтому обладают повышенной пожароопасностью. Статические факторы показывают, что коэффициент полезного действия магнитных пускателей меньше, чем у автоматических аналогов.
В современном мире все больше распространение находят бесконтактные пускатели, имеющие больше потенциала, чем электромагнитные. Бесконтактные тиристорные пускатели применяют для безопасной коммутации трехфазных двигателей, приводов мощных насосов, транспортеров, вентиляторов, компрессоров и другого оборудования, питаемого напряжением 380 вольт. Сегодня они находят широкое применение во многих отраслях промышленности, таких как: машиностроение, металлургия, производство строительных материалов, сельское хозяйство и во многих других.
Бесконтактные пускатели по сравнению с магнитными пускателями и автоматическими выключателями обладают следующими преимуществами:
– возможность осуществления большого количества коммутаций (сотни или тысячи срабатываний в час);
– одновременное отключение фаз питающей сети и значительное снижение мощности потребления цепями управления;
– повышенное быстродействие и возможность работать в сильных электромагнитных полях электролизных и электродуговых производств, а также в пожароопасных помещениях;
– повышение надежности из-за отсутствия электрической дуги и механического изнашивания, залипания и подгорания контактов.
Бесконтактные пускатели выполняются на полупроводниковых элементах, от этого зависит и управление ими. Сложность системы управления пускателями является одним из факторов, препятствующих широкому применению таких коммутационных аппаратов.
На базе Джизакского политехнического университета ведутся научные исследования по разработке и внедрению бесконтактных коммутационных аппаратов на базе различных полупроводниковых элементов, обладающих простой, экономичной и надежной системой управления.
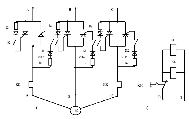
Одним из таких устройств является бесконтактный пускатель на базе тиристоров. Электрическая схема такого пускателя представлена на рис.1.
Рис.1. Электрическая схема бесконтактного тиристорного пускателя для асинхронного двигателей напряжением до 1000В.
а — силовая цепь пуска АД; б — цепь управления.
Предлагаемая нами схема бесконтактного тиристорного пускателя имеет более простую схему управления при обладании всеми преимуществами бесконтактных пускателей на базе полупроводниковых элементов [2].
Новый бесконтактный трехполюсный тиристорный пускатель представляет собой устройство, состоящее из шести тиристоров, шести резисторов, двух малогабаритных промежуточных реле и теплового реле для защиты (рис.1).
Подача питания к двигателю начинается с подачи напряжения на реле КL1 и KL2 одновременно. Реле КL1 и KL2 срабатывают и замыкают свои контакты, тем самым подают сигналы к управляющим электродам тиристоров.
Силовые тиристоры открываются и подается питание напряжением 380В к зажимам асинхронного электродвигателя. Вследствие этого двигатель запускается и начинает вращаться. Если в процессе пуска или в нормальном режиме возникает короткое замыкание в двигателе, то срабатывает тепловое реле и электродвигатель отключается.
Таким образом, новый бесконтактный трехполюсный тиристорный пускатель может быть использован в качестве коммутационного аппарата для пуска электродвигателей и технологического оборудования на промышленных предприятиях.
Отличительные особенности бесконтактных тиристорных пускателей заключаются в следующем. Для питания управляющей схемы используется безопасное напряжение 24 вольта. Применение полупроводников и оптических драйверов обеспечивает полную гальваническую развязку силовой части пускателя от цепи управления, в этом безопасность. Плата управления может легко запустить реверс двигателя, качественно погасив переходный процесс во время небольшой задержки, что сохранит двигатель, продлит срок его службы во много раз.
Следует отметить, что бесконтактные пускатели такого типа будут очень полезными для двухскоростных двигателей с полюс переключаемыми обмотками, где требуется большое количество коммутаций с частыми пусками, переходами с одной скорости на другую и торможением.
Литература:
- Зарипов Ш. У. и др. Разработка рациональных решений бесконтактного управления электроприводами горныхмашин //Современные научные исследования и разработки. — 2017. — №. 8. — С. 201–205.
- Саъдуллаев М. С. и др. Использование устройств, состоящих из бесконтактных элементов, в управлении компенсирующими устройствами //Молодой ученый. — 2018. — №. 1. — С. 23–25.
- http://electricalschool.info/main/electroshemy/252-beskontaktnye-tiristornye-kontaktory-i.html

